현재의
- 전하의 이동이나 흐름, 단위시간(1초)당 이동한 전하의 양
- 단위: (가)
- 1A = 1초에 통과하는 1C 전하

전류의 방향
- + 방향: 양전하(정공)가 이동한 방향, 즉 전자가 이동한 반대 방향. 실제로 양전하는 움직이지 않는다.
- -방향: 음전하가 이동한 방향
- 높은 전위에서 낮은 전위로의 흐름
전압
- 두 지점 사이의 전위차
지면
- 전위를 측정하는 기준점이 되는 지점, 대지의 전압은 0V
회로 분석
- 모든 노드 및 모든 분기에 흐르는 전압 및 전류 측정

옴의 법칙
- 전류는 높은 전위에서 낮은 전위로만 흐릅니다.
- 전류의 방향에 따라 저항 양단의 전압 극성도 변경됩니다.
- 전류가 들어오는 쪽이 +극이고, 전류가 나오는 쪽이 -극성입니다.


수동 소자 연결
저항
- 직렬 연결

- 전압은 분할되고 전류는 동일합니다.
- 복합 저항 값은 모든 저항의 합입니다. 따라서 합성 저항 값은 저항이 추가될수록 증가합니다.
- 병렬 연결

- 전압은 같고 전류는 나누어집니다.
- 합성 하한값은 각 저항의 역수를 취하여 그 역수의 합을 취한 값이다. 따라서 합성 저항값은 저항이 추가됨에 따라 감소합니다.
- 병렬 연결에서 저항과의 차이가 크면 저항 중에서 가장 작은 값과 비슷해집니다.
- 같은 값의 저항을 병렬로 연결하면 합성 저항값은 1/N이 됩니다.
- 저항의 2배 저항을 병렬로 연결하면 2/3R이 된다.
- 표준 저항 값


정격 전력

장치마다 견딜 수 있는 전력에는 한계가 있으며, 이 전력 값에 설정된 값을 정격 전력이라고 합니다. 정격 전력을 초과하면 소자가 소손되어 회로에 문제가 발생할 수 있습니다. 일반적으로 사용되는 산소 피막 저항기의 경우 정격 전력은 약 0.25W입니다.
정격 전압이 1W인 1k 저항이 있다고 가정해 보겠습니다. 1.5W 회로가 있는 경우 이 저항은 지속되지 않습니다. 그러나 500ohm, 1W 저항을 직렬 또는 병렬로 연결하면 전압 또는 전류가 분산되어 2W의 전력을 견딜 수 있습니다. 원하는 저항 값을 생성하는 것 외에도 전력 값을 조정할 수 있습니다. 따라서 더 큰 정격 전력을 사용하지 않고도 회로를 구성할 수 있습니다.
휘스톤 브리지

노드 = 4
접합부 = 4
R4 * R8 = R5 * R7인 상황에서 R6 양단의 전위는 5V입니다. 따라서 저항 R6을 통해 전류가 흐르지 않습니다.
그러나 저항값이 변하여 R6 양단에 전위차가 생기면 R6 양단에 전압이 발생하고 중간에 전류가 흐른다.
따라서 저항값이 변하면 전압이 변한다고 할 수 있습니다. Wheatstone 브리지 회로는 주로 센서 회로에 사용됩니다.
센서란 물리적 변화를 전기적 신호로 변환하는 회로를 말한다. 온도 센서를 예로 들면 백금 저항을 사용하면 일반 저항과 달리 온도에 따라 저항값이 크게 변하기 때문에 저항값의 변화를 측정하면 온도를 알 수 있다. 다만 저항값의 변화를 측정하기 어려우므로 측정하기 쉬운 전압으로 변경하여 변화를 측정한다.
R6의 전압 변화가 너무 미미하므로 OPAMP를 넣어 신호를 증폭시킨다.
콘덴서
- 직렬 연결

- 직렬연결시 저항의 병렬연결 계산법을 이용하여 계산한다.
- 병렬 연결

- 병렬연결시 저항의 직렬접속 계산법을 이용하여 계산한다.
콘덴서
- 직렬 연결

- 직렬연결시 저항의 병렬연결 계산법을 이용하여 계산한다.
- 병렬 연결

- 병렬연결시 저항의 직렬접속 계산법을 이용하여 계산한다.
인덕터
모든 사람
회로에 전원을 공급하는 장치
전압 소스
- 회로에서(부하) 정전압공급하는 요소
- 부하 변동에 관계없이 일정한 전압 공급
- 전압원에 의해 공급되는 전류는 부하에 의해 결정됩니다.
- 직렬로 연결된 이상적인 전압 소스의 내부 저항은 0옴입니다.
- 실제 배터리 또는 전원 공급 장치에는 수 밀리옴에서 수 옴의 내부 저항이 있습니다.
이상적인 전압 소스의 특성
- 일정한 전압을 공급해야 합니다.
- 무한 전류를 공급할 수 있어야 함
- 좋은 전원 회로의 특성은 이상적인 전압원의 특성입니다.

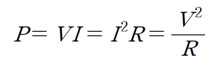
이상적인 회로(전단의 전압이 손실 없이 후단의 전압으로 전달되는 회로)가 되기 위해서는 전압이 잘 통할 수 있도록 Zs는 0, Zl은 무한대가 되어야 한다. 그러나 Zs가 작지 않거나 Zl이 충분히 크지 않으면 부하 효과라는 효과가 발생합니다.
전류 소스
- 실제 전류 소스와 같은 것은 없습니다.
- 트랜지스터, 조정기 등을 사용하여 전류원처럼 동작하는 회로를 구성할 수 있습니다.
- 이상적인 전류원은 부하원에 관계없이 일정한 전류를 공급해야 합니다.
전류원과 전압원은 서로 모양이 바뀔 수 있습니다.

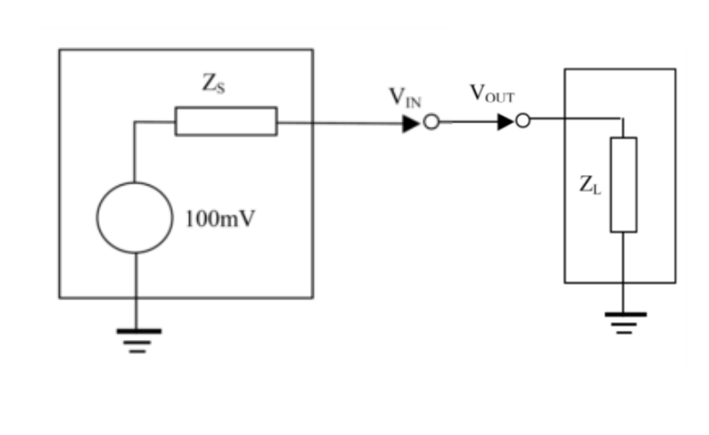
증폭기

증폭기의 입력 저항은 최대이고 출력 저항은 최소여야 합니다.

차동 증폭기
일반 증폭기를 사용하면 잡음도 증폭되지만 차동 증폭기는 잡음을 증폭하지 않는다.
시뮬레이션
시뮬레이션 회로는 모두 이상적인 회로이므로 다음과 같은 오류가 발생할 수 있습니다.


키르히호프의 법칙
KCL(키르히호프의 현행법)

회로의 노드로 흐르는 전류의 합은 노드에서 흐르는 전류의 합과 같습니다.
KVL(Kirchhoff의 전압 법칙)

폐쇄 회로의 각 요소에 걸리는 전압의 합은 0입니다.

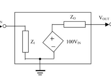
왼쪽 회로에서 R1 양단의 전압은 6V입니다. (V1 + V2 + V3 = V_r1) 이는 폐회로에 있는 장치에 걸리는 전압의 총 합이 0이기 때문입니다.
오른쪽 회로에서 R2, R3 및 R4의 전압은 각각 1, 2 및 3V입니다. V_R1 + V_R2 + V_R3 = V4이기 때문입니다.

왼쪽 회로에서 저항 R5를 통해 들어오는 3ma의 전류는 1ma로 R5, R6 및 R7로 나뉩니다.
오른쪽 회로에서 R10 R11 R12는 병렬로 연결됩니다. 합성 저항이 2k이므로 R9 측 분기를 통해 흐르는 전류는 3ma입니다. 따라서 왼쪽과 같이 유량을 1ma로 나눈다.

이번에는 위의 회로를 이용하여 Pspice를 이용하여 전압과 전류를 구한다.

바이어스 포인트를 선택하여 전압과 전류를 확인합니다.


왼쪽 상단의 V, I, W를 누르면 각 장치의 전압, 전류, 전력을 확인할 수 있습니다.

전류 표시를 마우스로 당기면 점선이 표시되는데, 이 점선은 소자의 점선 쪽에 있는 핀을 통해 들어오는 전류를 의미한다.
중첩의 원리
회로에 여러 전원이 있는 경우 각 전원의 출력을 계산하고 모두 더합니다. 이 과정에서 전압원이 단락되고 전류원이 열립니다.

1. V1 전압 소스만 고려(V2 단락, I1 I2 개방)